شرح:
• Classification Series :High Voltage Isolating Switch • Product Name :VNA-BHA Indoor load disconnect switch • Product Overview: This VNA load break switch is equipped with an arc extinguishing chamber made from polymethyl methacrylate (PMMA). It is designed for interrupting current circuits under load conditions at a voltage level of 10kV...This VNA load break switch is equipped with an arc extinguishing chamber made from polymethyl methacrylate (PMMA). It is designed for interrupting current circuits under load conditions at a voltage level of 10kV. Arc quenching takes place inside the polymer chamber due to the combustion byproducts of the chamber material and the rapid disconnection speed.
The product is available with or without an integrated earthing switch. For models with earthing knives, three structural variants are available:
Type I: The earthing switch is positioned on the separable contact side.
Type II: The earthing switch is located on the hinged side of the moving contact.
Type III: The earthing switches are installed on both sides of the breaker.
VNA-BHA
| Item | Specification |
| Rated Voltage | 10 kV |
| Maximum Operating Voltage | 12 kV |
| Rated Current | 630 A |
| Type of Operating Mechanism | Left-side |
| Earthing Blade Position | Bottom (Type II) |
| Rated Breaking Current (cos φ ≥ 0.7) | 630 A |
| Rated Thermal Withstand Current | 20 kA |
| Rated Dynamic Withstand Current | 51 kA |
| Duration of Short-Circuit Current | 1 s |
| Maximum Breaking Time | ≤ 0.2 s |
| Maximum Closing Time | ≤ 0.2 s |
| Weight | 38 kg |
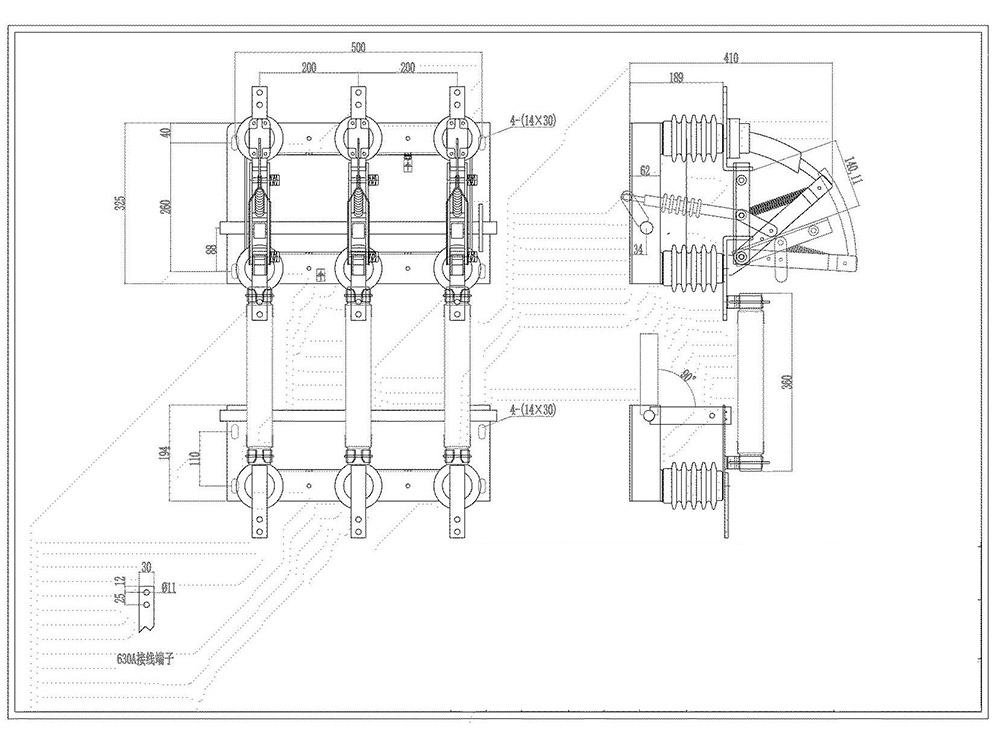
External Dimension

کپی رایت © 2025 Boxd Group Co. ، Ltd.
این وب سایت از کوکی ها استفاده می کند تا اطمینان حاصل شود که بهترین تجربه را در وب سایت ما به دست می آورید.
اظهار نظر
(0)