شرح:
• Classification Series :Box Type Substation • Product Name :YB口-12 Prefabricated Substation • Product Overview: Intelligent box substation of series YB, the newest product developed independently by HUADIAN ELECTRIC Company integrates the advantages of American box substation, European box substation andhome box substation which adopts environment...Outline
Intelligent box substation of series YB, the newest product developed independently by HUADIAN ELECTRIC Company integrates the advantages of American box substation, European box substation andhome box substation which adopts environment protection and new material, new technology and advanced components as well as high-low voltage automation technology, and among them, thehigh voltage side (12KV) can meet the demand of power department for power distribution automation, and the low voltage side (0.4kkV) can meet the demand of intelligent community property management, and the upper monitor which is located in the central station or the property management department can be used for four-remote (remote measurement, remote communication remote adjustment, remote control) system management. When several intelligent box substations connect into “hand-in-hand” ring network and supply power, they, combined with autonomous software, can accomplish the functions of automatic location, fault clearance, load shifting and network reconfiguration at the fault section, so that the recovery of power transmission is guaranteed in one minute. This series of intelligent box substation is one optimized combination of complete intelligent power supply and distribution integrated device consisting of high voltage unit, Power transformer, low voltage unit, metering unit and intelligent system etc. It has the characteristics of multi-functions, wide application, safe and reliable operation, beautiful out line,as well as convenient installation, little land occupation, little maintenance, low cost, quick effect and long service life. It can be used as power transformation and distribution equipment in the following departments and places, such as urban architecture, residential areas, municipal facilities, factories, mines, roads, wharves and oil fields, as well as construction in need of temporary power supply.
Model And Meaning

Use Environmental Conditions
Normal service conditions of outdoor box-type substation
a)The ambient temperature shall not exceed +40℃,and the average temperature within 24h shall not be more than +35℃ .The min ambient temperature may be -10 degree 5 and -25℃ . What’s more, the sharp change of temperature shall be taken into consideration.
b)The sunshine radiation of3,000W/㎡ (Atnoon on acloudless day shall be taken into consideration.
c)The altitude shall not be higher than 1,000m.
d)If the ambient air is subject to the pollution of dust, smoke, corrosive gas, steam or salt mist, the pollution class shall not exceed the class Ⅲ .
e)For class 1, the ice coating thickness shall not exceed 1mm; for class 10, it shall not be thicker than 10mm; and for class 20; it shall not be more than 20mm.
f)The wind speed shall not exceed 34m/s.
g)The condensation and precipitation shall be taken into consideration.
h)The inductive electromagnetic disturbance voltage range shall not be more than 1.6kV in the secondary system . Special service conditions If beyond the normal service conditions mentioned in clause 3.1, please contact and negotiate with the manufacturer.
Main Technical Parameters
| Content | Unit | H.T side | Transformer side | L.T side |
| Rated Capacity | kVA | 50-1250 | ||
| Rated Volltage | kV | 10 | 10/0.4 | 0.4 |
| Rated Current | A | 400-600 | 72.2/1820 | 2000 |
| Rated Short circuit Breaking Current | kA | ≥20 | ≥30 | |
| Rated Short Circuit Making Curren | kA | 50 | ||
| Rated Thermal Stability Current | kA/S | ≥20/4 | ≥30/1 | |
| Powe Frequency Withstand Voltage in 1 min | kV | Earth:42 Fracture:48 | Dry:28 Oil:35 | 2.0/2.5 |
| Lightning Impulse Withstand Voltage | kV | Earth:75 Fracture:85 | ||
| Degrees of Protection | IP | IP33D | ||
| Noise Level | DB | ≤65(Dry Type Transformer) | ||
| ≤55(Oil lmmersed Transformer) | ||||
The Main Technical Parameters
Rated voltage (Ur): On the HV side: 24kV/15kv On the LV side: 0.4kV
Auxiliary circuit: AC110V, 220V and 380V; DC 24V, 110V, 125V
Rated capacity of transformer: 100, 125, 160, 200, 250, 315, 400, 500, 630, 800, 1,000, 1,250, 1 ,600kVA
Rated current (Ir): On the HV side: 400A and 630a On the LV side: Max 2,500A
Rated frequency (fr): 50Hz
Rated short-time withstand current (Ik) :
HV switchgear: 16kA 2s(4s), 20kA 2s(4s)
LV switchgear: 15kA for 315~500kVA 30kA for 630~1,600kVA
Test time: 1s If the capacity of transformer is less than 315kVA, the equipment will be exempted from the test.
International protection of enclosure : Not lower than IP23D
Structural Features
1.This design considers the territory, environment and variety of customer demands, it employs the modular structure combined with following types. According to the HV switch connecting with the power grid: ring net type, terminal type, HV energy metering type, LV energy metering type. According to the equipment arrangement: Chinese character"..” type structure and Chinese“ ..”type structure.
According to the type of built-in transformer: oil- immersed full- seal transformer and dry- type transformer. According to the type of HV switch: vacuum type load switch and combination unit switch gear, SF6 load switch and combination unit switch, gas-filled switchgear According to the material of box body (enclosure) : metallic enclosure and non- metallic enclosure The metallic enclosure and frame are welded with the beam channel and steel I beam, the side wall and top cover is of two-layer assembly, the outer has the hoisting pin and mounting pin, the metallic door has the good earthing line and the under frame and foundation has the connecting earthling conductor. There are doors installed on both sides of transformer, which facilitate the installation and repair of the transformer; and safe and isolating net doors to prevent person entering into electrical isolating area by mistake and guarantee the safety of equipment and human.
2.Good ventilation measures: the structure of box body is of two layers, the top of box is else made of heat - isolation material, which can lower the rise of indoor temperature caused by the sunshine and there is an automatic ventilator mounted at the side door of HV chamber, which can ensure transformer run safely in full load in the high temperature season.
3.The HV switchgear on HV side provided with five-prevention measures and there is an energized reliable lock with the transformer compartment to ensure the human security. The Protection degree of box body can reach IP23D: It has good rain-proof performance.
4.Convenient operation and maintenance There are some visible marks outside of the box type substation , indicating the HV compartment, through opening the compartment doors, they can be easily operated and repaired,each compartment has the automatic lighting device even the compartment of transformer is used for installing . maintaining and changing the transformer in addition LV compartment is of force connection and for repairing the channels.
5.Nice appearance and durability
The enclosure is made of AL-plates and color steel sandwich plates, it is given the pre- treatment and plating treatment , besides, it also can be non-metallic enclosure made of a glass fiber and special cement and with the special technology so it has the obvious advantage like the strong plasticity of appearance, corrosion resistance, heat isolation and sound isolation etc. The surface coating is beautiful and durable, with high cohesion and soft color sense.
High voltage main circuit common scheme

Low-voltage main circuit common solution

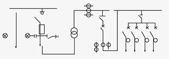
Typical system scenario example reference
Cable incoming and outgoing, terminal power supply, low voltage metering

Cable incoming and outgoing, terminal power supply, high voltage metering ,low voltage corridor diagram, low voltage capacitance compensation,

Cable incoming and outgoing, ,ring network power supply , low voltage metering,low voltage corridor diagram,low voltage capacitance compensation,

Schematic diagram of structure

کپی رایت © 2025 Boxd Group Co. ، Ltd.
این وب سایت از کوکی ها استفاده می کند تا اطمینان حاصل شود که بهترین تجربه را در وب سایت ما به دست می آورید.
اظهار نظر
(0)